SƠ ĐỒ ĐẤU DÂY CÔNG TẮC CHUYỂN MẠCH SWITCH VOLT AMPER
24-08-2021
2010


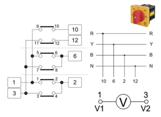
1/ ĐẤU DÂY CÔNG TẮC CHUYỂN MẠCH VOLT 7 VỊ TRÍ


HÌNH ẢNH CÔNG TẮC CHUYỂN MẠCH VOLTE – HIỆU OBISHI

2/ ĐẤU DÂY CÔNG TẮC CHUYỂN MẠCH AMPER



HÌNH ẢNH CÔNG TẮC CHUYỂN MẠCH AMPER – HIỆU OBISHI
